|
|
|
|
 |
13500482788 |
 |
0418-2288829 |
 |
fxkaier@126.com |
 |
辽宁省阜新市经济技术开发区科技路8号 |
|
|
|
|
|
|
|
|
|
|
| |
|
|
| LDJ系列导流型容积式换热器: |
|
导流型容积式加热器

卧式容积式加热器

立式容积式加热器
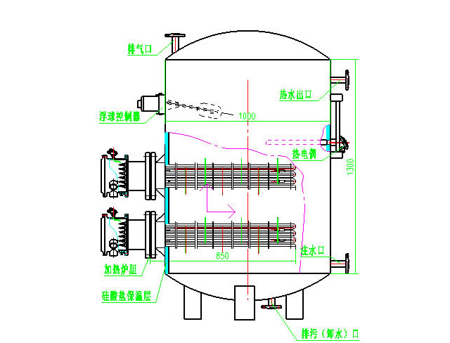
工作原理
提高热媒与被加热水的流述,变层流换热为紊流换热。充分利用罐体内初次加热时冷、热水之密度差,使其形成自然循环将罐体底部的冷水加热。
构造特点
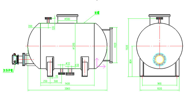
(1)换热元件U型管选用小管径管束,水平多行程布置,借以减少通过热媒的断面、增大换热面积、提高热媒流速。
(2)罐内配置导流装置,组织被加热介质流经U型管束,不存在死水区域。
性能特点
与"容积式换热器"相比较;导流型容积式换热器具有下列性能特点:
(1)热媒流速提高了3-6倍,被加热水流速提高了3-5倍,传热系数K有较大幅度的提高,水一水换热时,k=550~900W/(m2.℃〕,为 "容积式换热器K值的1.7~2.3倍。
(2)换热充分,在热媒为低温水(70~8O℃)及额定产水量条件下,单级换热可交换出所需温度的热水在导流装置的作用下,罐体底部冷水滞水区减少为"容积式"水加热器的一半。
(3)罐体占地面积小,抽出管束所需空间小,保持了"容积式换热器" 被加热水侧水头损失小(≤0.003MPa)的优点,有利于系统冷热水压力之平衡。
(4)贮热部分贮存有≥15min设计小时耗热量的调节容积。热媒可按设计小时耗热量供给,无需加大热媒负荷。罐内被加热水的温度变化较平缓,采用可靠、较灵敏的温控装置即可满足自动控制水温之要求。
|
|
|
| |
【打印此页】 【关闭】 |
|
|
|